PAGE CONTENTS
Objectives
The QinetiQ T6 High Power Electric Propulsion System (HPEPS) project objectives are:
- to perform the full development and ground qualification of a 5kW-class EP system to be readily deployed on current and future generation geostationary communication satellites (GEO comsats);
- to perform for GEO comsats station-keeping, orbit-raising, and orbit-repositioning (including to graveyard orbit at end of mission);
- to utilise a high Specific Impulse operating point to offer lower satellite system wet mass, enabled through higher fuel efficiency, giving potential of increased GEO comsats profitability through either reduced launch masses or increased payloads or increased mission operational lifetime.


T6 Mk4 thruster Qualification Model (left) T6 thruster firing (right) Credit QinetiQ

XFCU Qualification Model Credit Bradford Engineering
Benefits
The key advantage that T6 HPEPS provides over competitor electrical propulsion systems is lower satellite system mass, enabled through higher fuel efficiency. The T6 HPEPS has a Specific Impulse (SI) twice that of the alternative type of electric propulsion (such as Hall Effect Thrusters (HET)) and more than 10 times that of chemical propulsion so an equivalent HET system would need twice as much propellant as HPEPS.
Features
T6 HPEPS is a 5kW-class EP system that can be operated over a range of input powers from ~3.3kW delivering 75mN to 5kW for a maximum thrust of 145mN and so is able to match a range of GEO comsat sizes and powers available for mission phases. HPEPS is based on a novel internally redundant PSCU design to minimise system dry mass. The high SI operating point used by HPEPS is the same as that used by QinetiQ’s Solar Electric Propulsion System (SEPS) for the ESA BepiColombo mission to the planet Mercury; allowing HPEPS to benefit from the development and qualification activities completed for SEPS. An evolution of the T6 Mk3 thruster qualified for the BepiColombo SEPS requirements, known as the T6 Mk4 has been developed under HPEPS offering improved capabilities needed for the GEO comsat application:
- higher vibration and shock robustness; and
- faster thrust initialisation time and reduced time between firings.
Challenges
The key challenges of the project are:
- to achieve ground qualification of a 5kW-class EP system composed of the building blocks: QinetiQ T6 thruster; Crisa Power Supply and Control Unit (PSCU); and Bradford Engineering Xenon Flow Control Unit (XFCU);
- to meet the known EP requirements for a range of potential current and future generation GEO comsats;
- to offer an attractive recurring price.
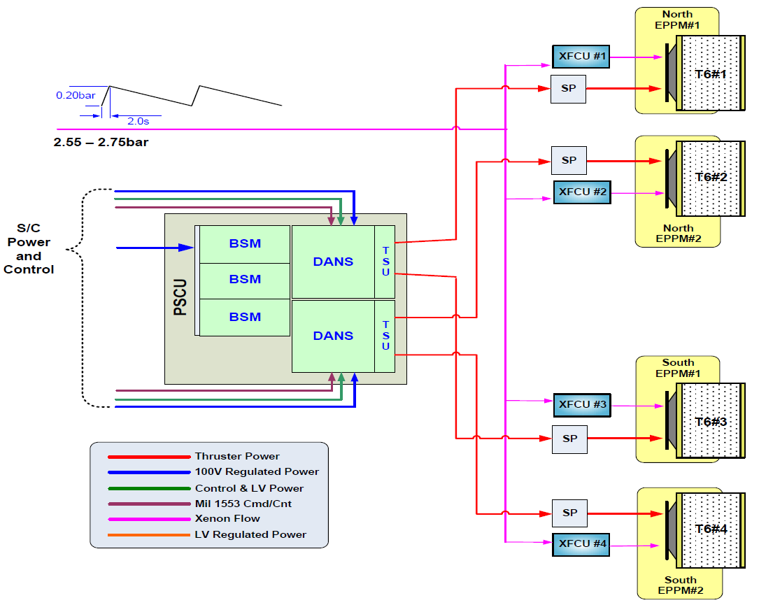
System Architecture
The HPEPS architecture is presented below.

The system for GEO comsats utilises 4 thrusters, one pair of north thrusters (1 prime & 1 redundant) and one pair of south thrusters (1 prime & 1 redundant). Each pair of thrusters is either mounted directly to one EP Pointing Mechanism (EPPM) (1 north EPPM and 1 south EPPM), or to individual EPPMs. The EPPM is able to vary the orientation of the thruster to ensure that the thrust vector passes though the satellite’s centre of mass, which will vary over mission life. The Xenon flow control delivers the required 3 flows to the thruster when fed by a fixed inlet pressure.
Plan
The project was completed in 2 phases:
- Phase 1: requirements phase; and
- Phase 2: development and unit qualification of XFCU and T6 thruster.
Current Status
All project activities have been completed.
The XFCU has successfully completed its ground qualification.
The T6 Mk4 thruster qualification has been partially completed:
- Functional performance and mechanical environment testing has been performed;
- TVT and life test remains to be performed.
Companies
QinetiQ Ltd
United Kingdom
Bradford Engineering
The Netherlands